The LM2596 is essentially a voltage regulator designed as a buck converter. It can handle input voltages up to 40V, efficiently stepping them down to produce a lower, stable output voltage (Vout) that can be as low as 3V or as high as 35V. Thanks to its FET technology, the converter can achieve excellent regulation performance.
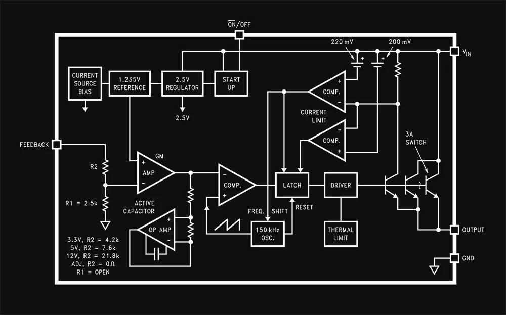
The LM2596 is an integrated circuit (IC) designed to function as a voltage regulator in a buck converter topology. While you won't be able to see the internal components just by looking at the chip, its datasheet will reveal a variety of built-in features that facilitate voltage conversion and regulation. Here's a general breakdown of what's inside:

The LM2596 typically incorporates an internal power N-channel Field-Effect Transistor (FET) that acts as the switching element. This FET allows the LM2596 to switch current paths, thereby stepping down the voltage.
The internal control logic manages the timing and switching operations. It usually operates at a fixed frequency and is responsible for the opening and closing of the internal FET.
The LM2596 includes a feedback loop that measures the output voltage (Vout) and compares it to a reference voltage. Any deviation results in an error signal, which is amplified and used to adjust the duty cycle of the switching FET to keep the output voltage stable.
An internal voltage reference sets the standard against which the output voltage is compared. This is essential for the regulation process.
Some versions of the LM2596 include built-in features for thermal shutdown and current limiting to protect the IC and connected components from damage.
Although the LM2596 itself is an integrated package, its effectiveness in a buck converter circuit relies on external components like inductors, capacitors, and sometimes diodes and resistors. The IC has pins to connect these components.
The LM2596 can handle a wide range of input voltages. Whether it's a 50V input from a power converter or as low as 5V, the LM2596 ensures a reliable output.
Vin is the input voltage fed into the circuit, while Vout is the output voltage regulated by the LM2596. This makes it extremely versatile, catering to both high and low voltage requirements.
Power supply units often incorporate this DC-DC converter for its synchronous regulation capabilities. The LM2596 is capable of driving up to 5A in specific conditions, which is quite sufficient for many types of electrical loads.
Different voltage ratings like 25V, 30V, and 35V for electrolytic capacitors are often employed based on the desired output and input voltage ranges.
Voltage ripple is an essential factor to consider, and the LM2596 excels in maintaining a low ripple, thereby ensuring a stable output.

Different inductor types or core materials produce different amounts of this characteristic ringing or ripple. Ferrite coreinductors have very little core loss and therefore produce the most ringing. The higher core loss of powdered ironinductors produce less ringing. If desired, a series RC can be placed in parallel with the inductor to dampen theringing.
The LM2596 operates at a fixed frequency, aiding in easier filter design. The chip incorporates internal switching transistors, further simplifying the circuit topology.
Datasheets and Webench tools are useful resources for understanding the LM2596 circuit's pinout and diagram. Datasheets provide detailed specifications, while Webench helps in simulation and layout design for your PCB.
MOSFETs can be used in more advanced configurations to handle even higher power applications.
The synchronous buck converter version of LM2596 employs two FETs for enhanced efficiency, compared to standard buck converter topology.

The LM2596 is a versatile and robust DC-DC converter, central to many power supply systems and voltage regulator applications. Its excellent performance, including a broad voltage range of up to 50V and low ripple, make it a preferred choice. Whether you're focusing on inductor specifications, capacitor types, diode characteristics, or FET functionalities, this IC has proven itself as an efficient voltage regulator in both asynchronous and synchronous settings.
Before diving into your project, make sure to refer to datasheets for the most accurate information. Diagrams are your best friend when laying out your PCB. Remember, you can use the LM2596 in adjustable setups by modifying the resistor values to achieve custom voltage outputs.
LM2596 offers a reliable and efficient solution for all your voltage regulation needs, serving as the cornerstone in many buck converter and power converter applications.

A practical guide to calculating PCB trace resistance, covering the core formula, how geometry affects resistance, worked examples, and design tips to minimize voltage drop and heat.

A practical guide to diagnosing and fixing PCB failures, covering common symptoms, a step-by-step debugging workflow, essential tools (multimeter, oscilloscope, logic analyzer, thermal camera), a pre-power-up checklist, and the design mistakes that most often lead to broken boards.

A practical guide to PCB impedance control, covering why it matters for signal integrity, the four physical variables that shape trace impedance, and how to enforce impedance targets from stackup planning through routing and fabrication.

A practical guide to reducing EMI in PCB design through grounding, return path control, shielding, and layout best practices. Covers EMC compliance with CISPR 32 and FCC Part 15.

A step-by-step guide to designing accurate PCB footprints — covering pads, silkscreen, courtyards, IPC-7351 density levels, origin setup, and common mistakes to avoid.

A practical guide to PCB grounding techniques — ground planes, return paths, star grounding, and analog/digital partitioning — with best practices for reducing noise and improving signal stability.

A practical guide to designing multilayer PCB stackups for signal integrity, EMI control, and stable power delivery. Covers layer types, controlled impedance, common mistakes, and how modern tools simplify the process.

A look at how AI is reshaping PCB design by automating routing, placement, and signal integrity checks so engineers can focus on architecture and higher-level decisions.